Regulátor prebytkov GBO-Aku (3f)
Riadiaca jednotka GBO-Aku pre plynulú reguláciu prebytkov z fotovoltaickej elektrárne. Plynulá regulácia prebytkov pomocou až 6 externých SSR relé. Skoková regulácia až 5 externých relé/stýkačov. Vyťažovač prebytkov zaručí rýchlu návratnosť investície do fotovoltaiky. Je potrebné dokúpiť 3f prúdové snímače.
284,00€ s DPH
Na Sklade - môžete mať 20.04.2026 - 27.04.2026
-
Doručenie zdarma od 99€ do 10kg
-
Férové ceny
-
Kvalita zaručená
-
Značkový tovar
Regulátor / vyťažovač prebytkov GBO-Aku (3f)
GreenBono je skvelým doplnkom každej fotovoltaickej elektrárne s batériami, aj bez nich. Zabezpečuje, aby bola vaša zostava vždy vyťažená a nepracovala na minimálny výkon.
Často sa stáva, že batérie sú nabité, v dome je dostatok energie a fotovoltická elektráreň okamžite začne obmedzovať výkon, pretože nemá kam dodávať energiu. V takýchto prípadoch vám pomôže vyťažovač prebytkov GreenBono AKU, ktorý hneď po nabití batérií plynulo presmeruje energiu napríklad do elektrického kotla, akumulačnej nádrže, ohrievača bazéna atď.
Regulátor "GBO-Aku" je navrhnutý tak, aby dosiahol maximálne možné využitie vlastnej vyrobenej elektriny aj s kombináciou virtuálnej batérie a to tým že prebytky nespotrebovanej energie automaticky presmeruje na ohrev vody v bojleri/ zásobníku a pomôže vám spotrebovať čo najviac vyrobenej elektriny na mieste. Môže byť použitý nielen ako wattový router pre elektrárne pripojené k sieti, ale aj ako "vyťažovač" pre hybridné, ostrovné a mikrosieťové elektrárne.
Je potrebné dokúpiť trojfázové prúdové snímače. Snímače nájdete tu.
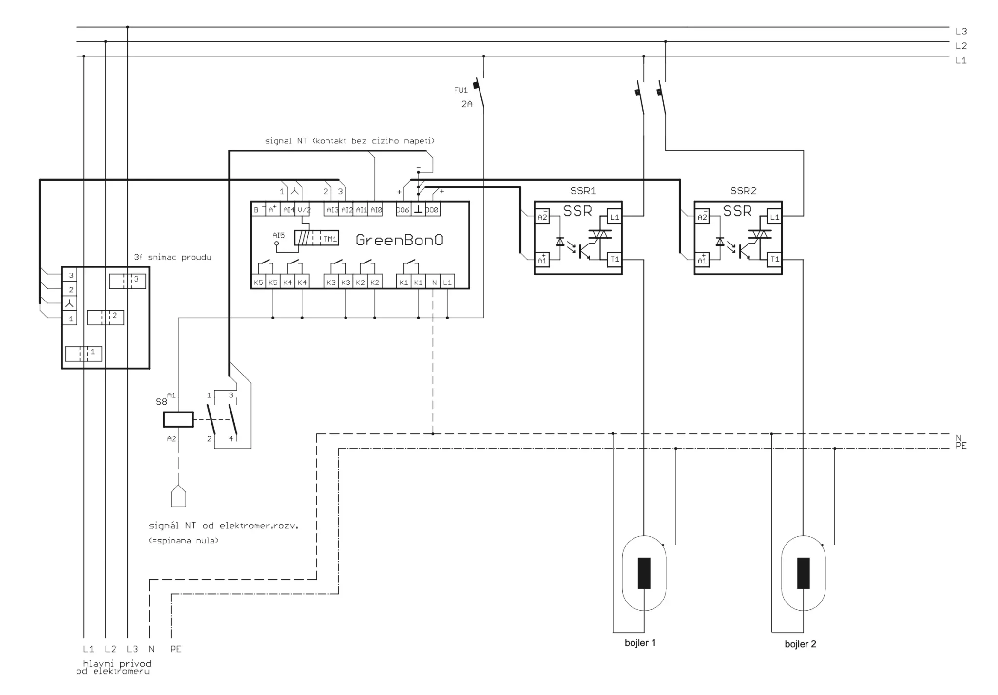
Schéma zapojenia:
GBO-Aku regulátor vie pracovať v režime "wattrouter" alebo "vyťažovač". Rozdiel medzi týmito dvoma režimami prevádzky je stručne vysvetlený v nasledujúcej tabuľke:
Režim "Wattrouter" | Režim "vyťažovač" | |
Ak sa používa: | V miestach, kde sú prietoky do distribučnej siete. | V miestach, kde neexistujú prietoky do distribučnej siete |
Ako sa tam správa menič: | Z fotovoltaických panelov vyťaží maximum. | Berie z panelov len toľko, aby pokryl okamžitú spotrebu objektu. |
Aká je úloha regulátora: | Zachytáva a využíva elektrickú energiu, ktorá by inak unikala do siete. | Prinúti menič aby z fotovoltaických panelov vyťažil maximum. |
| Napájecí napětí: | 230V 50Hz (nutné je připojení na tu fázi, na kterou je vyvedena FVE) |
| Povolené napětí na svorkovnicích: | - horní svorkovnice (vedle LED diod): 5V DC - dolní svorkovnice (napájení regulátoru a kontakty relé): 250V 50Hz |
| bipolární analogové vstupy: | 3 vstupy, rozsah {-2,5V ... +2,5 V DC} (proti svorce Vcc/2 ) 10 bit D/A převod, pro externí proudové transformátory + volitelně: jeden vestavěný proud. transformátor 0 ... 12A~ (pro jednofázovou verzi) |
| unipolární analogové vstupy: | 2 vstupy, rozsah {0V ... +5,0 V DC} (proti svorce GND ) 10 bit D/A převod, pro snímače napětí a proudu baterie |
| digitální (dvoustavové) vstupy: | 1 vstup 0/5V, (proti svorce GND ) pro načtení signálu NT bezpotenciálovým kontaktem |
digitální výstupy pro plynulé řízení výkonu:
| 6 výstupů s řídícím signálem 5V/20mA: (pro externí SSR)
1.) (standardně) pro SSR (solid state relay) se spínáním v nule (pulsní modulace), volitelně:
2.) nebo (pomocí firmwaru "phctrl") pro SSR s okamžitým spínáním (fázové řízení (*) - toto provedení nevytváří flikr, generuje ale vyšší harmonické) každý jeden výstup může ovládat 2 SSR doporučeného typu (s odběrem řídící elektrody 8,5mA/5V), a dokáže tak symetricky řídit 3-fázový spotřebič |
reléové výstupy:![]() | celkem 5 relé, každé se spínacím kontaktem 230V~/5A: 4 x relé pro postupné připojování zátěže 1 x relé (K5) s volitelnou funkcí: spínací hodiny, páté relé kaskády, nebo indikace přebytků |
| ostatní výstupy: | výstup +5V/20mA pro napájení proudového DC snímače |
| datové rozhraní pro komunikaci s PC: | RS485, protokol MODBUS, (9600,8,N,1) |
| regulace spotřeby přebytků z FVE: | prozatím je v prvním stupni každé fáze plynulé řízení příkonu 0 ... 100% (v jednofázové verzi až kaskáda tří plynule řízených spotřebičů), výhledově bude v prvním stupni každé fáze kaskáda dvou plynule řízených spotřebičů, v jednofázovém provedení kaskáda až šesti plynule řízených spotřebičů v dalších stupních připínání neregulovaných spotřebičů se současnou regulací v prvním stupni |
| galvanické oddělení: elektrická pevnost mezi elektronikou (5V DC - horní svorkovnice) a silovou částí (230v AC - dolní svorkovnice): | 4kV 50Hz, 1 minuta |
| stupeň krytí (ČSN EN 60529): | IP 20 |
| Doporučené prostředí (ČSN 33 2000-3): | třída AB4 (-5...40°C, 5...95% rel.vlhkosti) |
| Přípustné skladovací podmínky: | -15...70°C, 5...95% rel.vlhkosti |
| rozměry [mm] (š,v,hl): | 105 x 95 x 59 (skříňka MODULBOX 6M) |
Podobné produkty
Trojfázový menič Huawei SUN2000-10KTL-M1 HC 10000W
Na sklade
Hybridný 8kW GoodWe GW8K-ET PLUS
Na sklade
Sofar Solar 5.5 KTL-X G3
Na sklade
Hybridný 10kW GoodWe GW10K-ET Plus
Na sklade
Huawei LUNA 2000 Power control modul + 10 kWh batériový blok
Na sklade
Trojfázový smartmeter Huawei DTSU666-H 100A
Na sklade
Jednofázový smartmeter SolaX DDSU666
Na sklade
Trojfázový menič Sofar Solar 11 KTL-X G3
Na sklade
Sofar Solar 4.4 KTL-X-G3
Na sklade
Huawei SUN2000-4KTL-M1 HC 4000 W
Na sklade

Fotovoltaické profily
Háky a úchyty na strechu
Uzemnenie FV systému
Solárne káble
Príslušenstvo

Pre domácnosti
Pre firmy




Recenzie
Nikto zatiaľ nepridal hodnotenie.